LCD képernyős modul konyhai elektronikus mérleghez
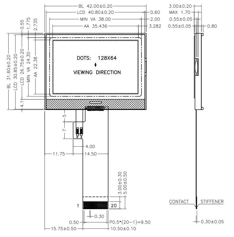
Az LCD képernyő modul a 128x64 képpontos szabványos méretű LCD a kézi szerszámokhoz; amelynek mérete 42.0x31,60mm, a betekintési terület pedig 38,0x24,30 mm; DFSTN anyag ST7567 vezérlővel.
- A termék bemutatása
termék leírás
Az LCD képernyő modul a 128x64 képpontos szabványos méretű LCD a kézi szerszámokhoz; amelynek mérete 42.0x31,60mm, a betekintési terület pedig 38,0x24,30 mm; DFSTN anyag ST7567 vezérlővel. Három hátterünk van ennek az LCD-nek, kék, fekete és szürke, és testreszabható az Ön igényei szerint, beleértve a méretet.
Leírás



Egyedi LCD folyamata
Tervezze meg az LCD rajzot: Mérnökünk megtervezi az LCD rajzot az ügyfelek igényei szerint, ez körülbelül 1-3 napot vesz igénybe.
Erősítse meg az LCD rajzot: Amikor befejeztük a rajztervet, elküldjük az ügyfélnek megerősítésre.
Szerszám- és mintagyártás: Amikor az ügyfél megerősítette, hogy a rajz rendben van, megkezdjük a szerszámok és minták gyártását, ez körülbelül 15-30 napot vesz igénybe. (LCD típustól függően)
Tömeggyártás: Amikor befejeztük a mintagyártást, 5 db ingyenes mintát küldünk az ügyfélnek tesztelésre; és ha a minták rendben vannak, megkezdjük a tömeggyártást, ami körülbelül 30-40 napot vesz igénybe.

Népszerű tags: LCD képernyős modul konyhai elektronikus mérleghez, Kína, beszállítók, gyári, testreszabott, árajánlat, kedvezményes vásárlás, ingyenes minta, Kínában készült











